Hero Image
Logo
Accueil » Produits » Équipements Forestiers » Grappin forestier » 39-005 ATTACHE SKID STEER

39-005 ATTACHE SKID STEER

39-005 ATTACHE SKID STEER

GRAPPIN FORESTIER

Le grappin forestier est un équipement essentiel dans l'industrie forestière, conçu pour manipuler efficacement les grumes et les débris dans des environnements difficiles.
Cet outil polyvalent offre des avantages en termes d'efficacité, de sécurité et de durabilité pour les opérations forestières.
L'équipement de marque "Woody" intègre les dernières avancées technologiques pour créer des produits innovants et performants.
En combinant expertise traditionnelle et ingénierie moderne, Woody s'engage à fournir des équipements forestiers de haute qualité qui répondent aux besoins évolutifs de l'industrie.
Chaque produit est soigneusement conçu pour offrir une efficacité maximale, une sécurité optimale et une durabilité exceptionnelle, garantissant ainsi une expérience fiable et satisfaisante pour les opérateurs forestiers.
Avec la recherche constante de l'excellence et de l'innovation, Woody continue de repousser les limites pour offrir des solutions qui font avancer l'industrie forestière vers l'avenir.

MODÈLE

Attache skid steer

Numéro

39-005

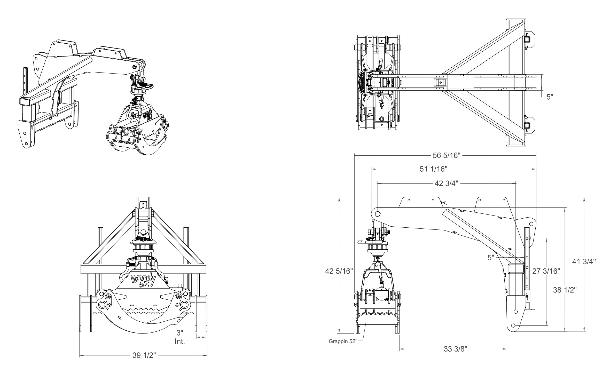
Maximum de levage

4500 lbs

Pression de travail

2300-3500 psi

GPM de travail

10-21 GPM

Poids

747 lbs

Grappin

Options : 36" - 42" - 52"

Rotor

3000 Kg

Treuil 4000 lbs

En option  58-008

Belier d'abattage

En option  39-004-04


Caractéristiques

  • Manipule des bûches pesant jusqu'à 4 500 lbs avec facilité et précision, idéal pour les professionnels des secteurs de l'agriculture, de l'exploitation forestière et de la gestion des propriétés rurales.

  • Une ouverture maximale du grappin de 52 po vous permet de manipuler des objets de toutes formes et tailles, éliminant le besoin de retirer les branches des arbres avant le transport.

  • La conception en porte-à-faux permet une portée et une flexibilité maximales lors de la manipulation des bûches, facilitant l'accès et le déplacement des bûches dans des espaces restreints ou difficiles d'accès.