Hero Image
Logo
Home » Products » Forestry Equipment » Forestry grapple » 39-005 Skid steer attachment

39-005 Skid steer attachment

39-005 Skid steer attachment

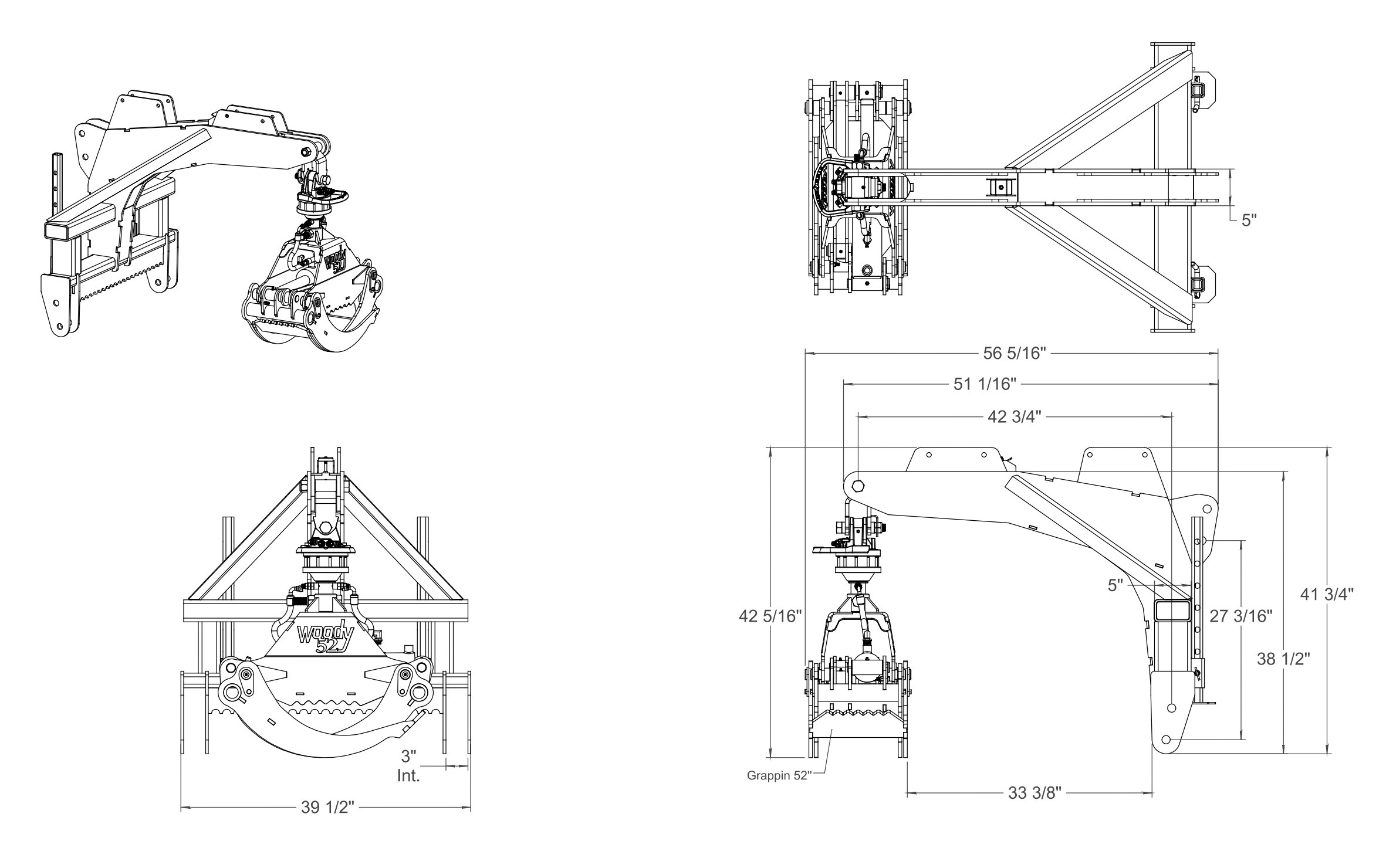
FORESTRY GRAPPLE

Is an essential equipment in the forestry industry, designed to efficiently handle logs and debris in challenging environments.
This versatile tool offers benefits in terms of efficiency, safety, and durability for forestry operations.
The "Woody" brand equipment integrates the latest technological advancements to create innovative and high-performing products.
By combining traditional expertise with modern engineering, Woody is committed to providing high-quality forestry equipment that meets the evolving needs of the industry.
Each product is carefully designed to deliver maximum efficiency, optimal safety, and exceptional durability, ensuring a reliable and satisfying experience for forestry operators.
With a constant pursuit of excellence and innovation, Woody continues to push the boundaries to offer solutions that advance the forestry industry into the future.

Model

Skid steer attachment

Number

39-005

Maximum lifting capacity

4500 lbs

Work pressure

2300-3500 psi

Working flow

10-21 GPM

Weight

747 lbs

Grapple 

Options : 36" - 42" - 52"

Rotor

3000 Kg

Winch 4000 lbs

In option 58-008

Tree pusher

In option 39-004-04


Features

  • Handles logs weighing up to 4500 lbs with ease and precision, ideal for professionals in the farming, logging and rural property management sectors.

  • A maximum grapple opening of 52” allows you to handle objects of all shapes and sizes, eliminates the need to remove tree limbs before transport.

  • Cantilever design allows for maximum reach and flexibility when handling logs, making it easier to access and move logs in tight or hard-to-reach spaces.

Credits to @sawingwithsandy for the videos